欢迎光临天机传动官网,今天是:

磁粉制动器

  • 首 页
  • 产品中心
  • 磁粉制动器
  • 实力展示
  • 关于我们
  • 技术支持
  • 在线留言
  • 成功案例
  • 联系我们

    产品中心

    • 磁粉制动器
    • 磁粉离合器
    • 磁粉刹车器
    • 电磁离合器
    • 电磁制动器
    • 微型电磁离合器
    • 微型电磁制动器
    • 张力控制器
    • 电磁离合刹车器组合体
    • 金牌对边机伺服纠偏器
    • 气涨轴安全夹头
    • WP蜗轮蜗杆减速机
    • 离合刹车减速机
    • NMRV铝合金蜗轮蜗杆减速机
    • 无极变速机
    • 非标减速机电磁离合制动器组
    • 空压式离合器制动器

    联系我们

      联系人:陈小姐
      手 机:18027055835
      电 话:
      传 真:0769-85704468
      邮 箱:huang@dgtaiji.com.cn
      网 址:www.szlangan.com
      地 址:广东东莞市大朗镇松木山村利昌路13号

    您当前的位置:首页 > 产品中心 > WP蜗轮蜗杆减速机

    上一篇:WPA减速机,WPA蜗轮减速机,WPA蜗杆减速机

    下一篇:无

    • 名称: WPS减速机,WPS蜗轮蜗杆减速机,WPS自锁减速机

    • 分类: WP蜗轮蜗杆减速机

    •  
    • 分享到:

      详细介绍:

      WPS减速机,WPS蜗轮蜗杆减速机,WPS自锁减速机都是属于蜗轮蜗杆减速机系列, 产品在符合按国家标准GB10085-88蜗杆蜗轮参数基础之上,吸取国内外先进科技,独具新颖一格的外部结构,箱体外形美观,以优质铸铁压铸而成。 
      WPS减速机,WPS蜗轮蜗杆减速机,WPS自锁减速机安装
    1、可按实际要求采用多种安装形式,六个面均能安装;
    2、安装必须牢固,可靠;
    3、原动机、减速机的工作机构之间须仔细对中,误差不得大于所用联轴器的许用补差;
    4、安装后用手转动,必须灵活、无卡滞现象。
    减速机厂家
      WPS减速机,WPS蜗轮蜗杆减速机,WPS自锁减速机油量添加事项
    很多用户都不清楚蜗轮减速机油量要加多少才为适合,在什么情况下添加蜗轮减速机润滑油,有的用户甚至都不清楚是停止状态下还是运行的状态下衡量油量。请遵守并根据说明书来添加油量,油量添加至油窗的2/3位置。而这个数据是在停机状态下的,注意:不要在蜗轮减速机运行的状态下添加润滑油。因为在蜗轮减速机运行的过程中,其内部部件齿轮或者是蜗轮转动时带动内部的润滑油一起运转,如果在这种情况下判断蜗轮减速机油量的话,可能是满的,也有可能是低于油窗的2/3,甚至有可能没有什么润滑油了。因此在蜗轮减速机运行的状态下来判断油量的话就与实际油量的差距比较大,建议在蜗轮减速机停止运行的状态来衡量油量并添加适量的润滑油。
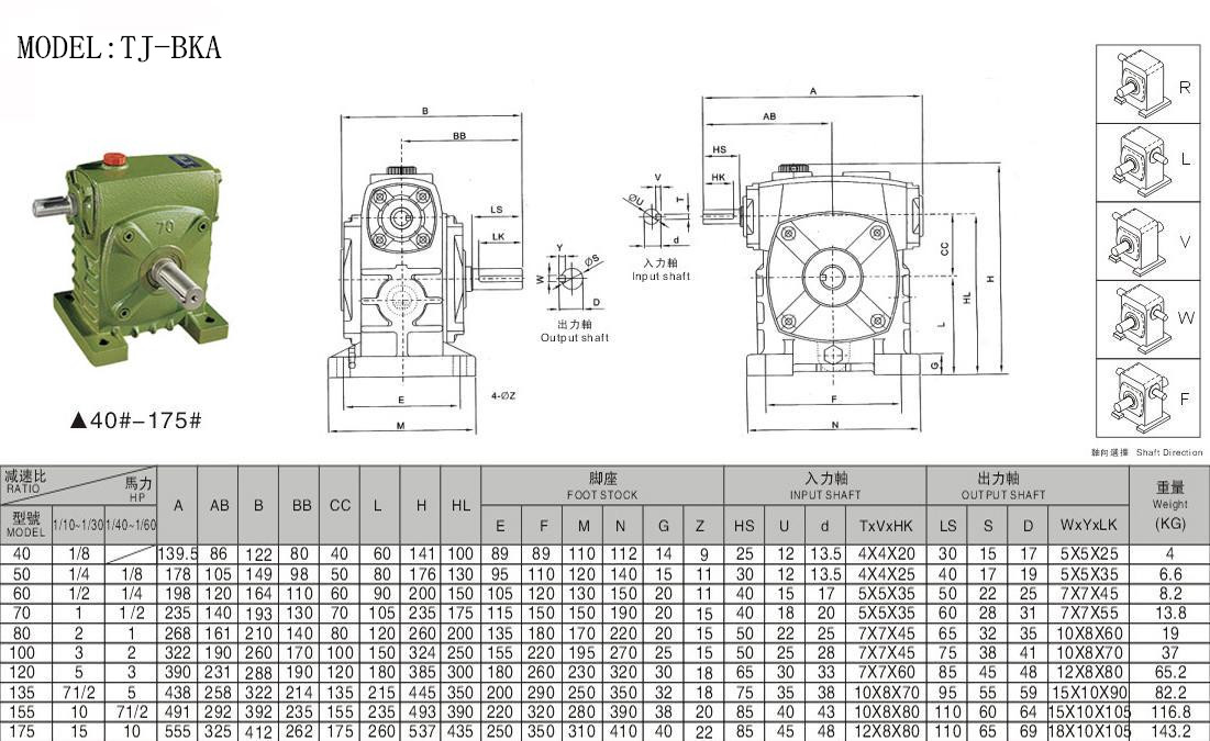
      以下是WPS减速机,WPS蜗轮蜗杆减速机,WPS自锁减速机外形尺寸参数图

    WPS减速机






    上一篇:WPA减速机,WPA蜗轮减速机,WPA蜗杆减速机

    下一篇:无

      其它产品

    WPA减速机,WPA蜗轮减速机,WPA蜗杆减速机

    WPA减速机,WPA蜗轮减速机,WPA蜗杆减速机
    WPDK蜗轮蜗杆减速机,立式蜗轮蜗杆减速机

    WPDK蜗轮蜗杆减速机,立式蜗轮蜗杆减速机
    WPDX蜗轮减速机,WPDX蜗杆减速机,WPDX涡轮减速器,WPDX涡杆减速器

    WPDX蜗轮减速机,WPDX蜗杆减速机,WPDX涡轮减速器,WPDX涡杆减速器
    WPX蜗轮减速机,WPX蜗杆减速机,卧式WPX蜗轮蜗杆减速机

    WPX蜗轮减速机,WPX蜗杆减速机,卧式WPX蜗轮蜗杆减速机
    WPO减速机,铸铁减速机,WP蜗轮蜗杆减速机

    WPO减速机,铸铁减速机,WP蜗轮蜗杆减速机
    WPDKS蜗轮蜗杆减速机,空心轴蜗轮蜗杆减速机,自锁蜗轮蜗杆减速机

    WPDKS蜗轮蜗杆减速机,空心轴蜗轮蜗杆减速机,自锁蜗轮蜗杆减速机
    WPDO蜗轮蜗杆减速机,卧式蜗轮蜗杆减速机,法兰式蜗轮蜗杆减速机

    WPDO蜗轮蜗杆减速机,卧式蜗轮蜗杆减速机,法兰式蜗轮蜗杆减速机
    WPDA蜗轮蜗杆减速机,立式蜗轮蜗杆减速机带法兰盘

    WPDA蜗轮蜗杆减速机,立式蜗轮蜗杆减速机带法兰盘
    WPS减速机,WPS蜗轮蜗杆减速机,WPS自锁减速机

    WPS减速机,WPS蜗轮蜗杆减速机,WPS自锁减速机

    首 页 产品中心磁粉制动器实力展示关于我们技术支持在线留言成功案例联系我们
    主营产品:磁粉制动器  磁粉刹车器  磁粉离合器  张力控制器  电磁离合器  电磁制动器  电磁刹车器  
    电    话:唐小姐 18028287736    传真:0769-85704468   邮箱:huang@dgtaiji.com.cn
    地    址:广东东莞市大朗镇松木山村利昌路13号
    版权所有:版权所有:东莞市台机减速机有限公司   京ICP证000000号
    • 游小姐
    • 旺旺在线
    • 微信扫一扫,联系我们